EVL250-AAD
SCII
| EVL250-AAD: | |
|---|---|
| EVL250-HAD: | |
| Availability: | |
| Quantity: | |
SCII EVL250 Series DC Contactor Detail
![]() | Certification Information |
Meet RoHS (2011/65/EU)
Meet the standard of GB/T 14048.5-2017, CCC is certified
Meet the standards of BS EN 60947-5-1:2004+A1:2009, CE is certified
Meet the standards of IEC60947-5-1
UL is certified, E490848
![]() | Nomenclauture |
| Typical Part Number | EVL250- | A | AD | F | -01 |
| Series: EVL250=250A Contactor | |||||
| Contact Form: A=Normal Open without Aux. Contacts H=Normal Open with Aux. Contacts | |||||
| Mounting: AD=Bottom Mount | |||||
Load Polarity: F=Non-Polar Load Nil=Polar Load | |||||
| XX=Special Customization | |||||
![]() | Performance Data |
| Main Contacts Data | Expected Life | |||
| Contact Arrangement | 1 Form A (SPST-NO) | Electrical Endurance (Make/Break) | Check the table below | |
| Max. Switching Voltage | 900 Vdc | Mechanical Life | 200,000 Cycles | |
| Rated Current | 250A | Aux. Contact | ||
| Max. Short Circuit Current | 3000A@450Vdc (1s) | Aux. Contact Arrangement | 1 Form A | |
| Short Term Current | 300A (7min) 400A (2min) 500A (1min) | Aux. Contact Current Max. | 2A@30Vdc 3A@125Vdc | |
| Dielectric Withstanding Voltage (Initial) | Between Open Contacts | 4000Vdc 1mA 1min | Aux. Contact Current Min. | 100mA@8V |
| Between Contacts to Coil | 2200Vac 1mA 1min | |||
| Insulation Resistance (Initial) | Terminal to Terminal | Min 1000 mΩ @1000Vdc | Aux. Contact Resistance Max. | 0.417ohms@30Vdc 0.150ohms@125Vac |
| Terminal to Coil | ||||
| Contact Voltage Drop (Initial) | Max. 125mV (250A) | |||
| Limit breaking | 2000A@450Vdc, 1 cycle | |||
| Environment Data | Operate & Release Time | |||
| Shock | Functional | 196m/s² Sine half-ware pluse | Operate Time | 25ms, Max. @20℃ |
| Destructive | 490m/s² Sine half-ware plus | Release Time | 12ms, Max. @20℃ | |
| Operating Temperature | -40℃ - +85℃ | |||
| Humidity | 5% - 85% RH | |||
| Weight | 0.95Lb (0.43kg) | |||
| Coil Data | |
| Nominal Voltage | 9-36Vdc |
| Pick-up Voltage | Max. 9Vdc |
| Min. Holding Voltage | 9Vdc |
| Drop-out Voltage | Min. 6Vdc |
| Max. Inrush Current | 3.8A |
| Average Holding Current | 0.13A@12Vdc 0.07A@24Vdc |
| Coil Power | 1.56W@12Vdc 1.68W@24Vdc |
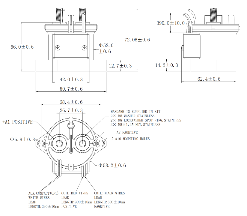
![]() | Outline Dimensions |

Get In Touch