HFE82V-1000/xxx-24-H-C6-6
Hongfa
| HFE82V-1000/XXX-24-H-C6-6: | |
|---|---|
| Availability: | |
| Quantity: | |
Hongfa HFE82V-600 DC Relay Detail
![]() | Coil Rating |
Nominal Voltage Vd.c | Pick-up Voltage Vd.c | Drop-out Voltage Vd.c | Coil Resistance Ω (@23℃) | Coil Power W (@23℃) Approx. |
| 24 | ≤18 | 2-18 | Driving: 11.52x(1±7%) Holding: 57.6x(1±7%) | Driving Power: 50W Holding Power: 10W |
![]() | Contact Data |
| Contact Arrangement | 1 Form A | |
| Contact Material | Copper Alloy | |
| Contact Resistance | Max. 0.2 mΩ (at 100A) | |
| Contact Rating | 1000A | |
| Max. Switching Voltage | 1200 VDC | |
| Max. Breaking Current | 2000A (1200 VDC) 1op | |
| Min. Application Load | 6Vd.c 1A | |
| Current Carrying Capacity | 1000A: Cont. | |
| 1500A: 140 s | ||
| 2000A: 82 s | ||
| 3000A: 30 s | ||
| 4000A: 18 s | ||
![]() | Electrical Endurance |
| Model | Version | Ambient Tempertaure | Contact Rating | ON : OFF | Electrical Endurance |
| HFE80V-600 | 1H | Room Temperature | Making(Resistive load) Inrush Current 60A, Contact Voltage 1200Vdc | 0.6s : 5.4s | 3x104 ops |
Making(Capacitive load) Inrush Current 2000A,C=1100uf Contact Voltage 1200Vdc | 0.6s : 5.4s | 100 ops | |||
Breaking Steady 2000A Contact Voltage 1200Vdc | 0.1s : 30s | 1 op | |||
Breaking(Inductive load) Steady 1000A L/R=2.5ms Contact Voltage 1200Vdc | 0.1s : 30s | 1 op | |||
Breaking(Resistive load) Steady 1000A Contact Voltage 1200Vdc | 0.3s : 30s | 50 ops | |||
Breaking(Resistive load) Steady 800A Contact Voltage 1500Vdc | 0.3s : 30s | 50 ops | |||
Switching(Resistive load) Steady 60A Contact Voltage 1200Vdc | 0.6s : 5.4s | 1x104 ops |
![]() | Mechanical Endurance |
| Version | Contact Rating | Ambient Temperature | ON:OFF | Mechanical Endurance |
| 1H | No Load | Room Temperature | 0.5s : 1.5s | 2x105 ops |
![]() | Ordering Information |
| HFE82 | V | -1000 | /1000 | -24 | -H | -C | 6 | -6 | (XXX) |
Type HFE82 | |||||||||
| Application V: Vehicle | |||||||||
| Series Code 1000: 1000A | |||||||||
| Load Voltage 1000: 1000Vdc 1200: 1200Vdc | |||||||||
| Coil Voltage 24: 24Vdc | |||||||||
| Contact Type H: 1 Form A | |||||||||
| Coil Termination C: Connector | |||||||||
| Load Termination 6: Female + Cu-Bus-Bar terminal | |||||||||
| Coil Feature 6: Double coil with electronic switch energy saving module | |||||||||
| Special Code Customer demand(Customer demand only for special requirements) | |||||||||
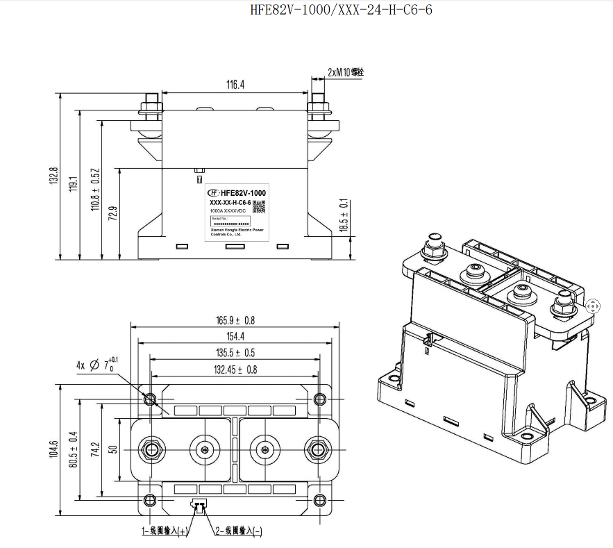
![]() | Outline Dimensions |

Get In Touch