HVC2P60FS
Amphenol
| Availability: | |
|---|---|
| Quantity: | |
Amphenol HVC 2.8 mm 2 Poles High Voltage Connector Detail
![]() | Part-No |
Plug:
HVC2P60FSX16 (15mm² Shield)
HVC2P2824X25 (25mm² Shield)
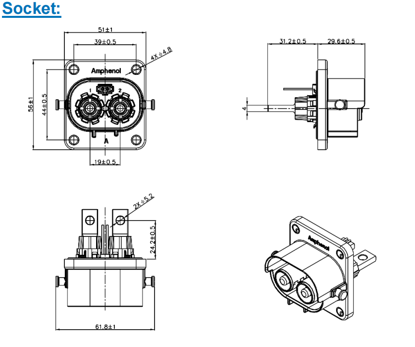
Socket:
HVC2P60MVX00
"X" indicates code 1/2/3/4
![]() | Specifications |
Mating design:
Serviceable locking leg
Locking assurance by CPA
Operation with handle
Terminal system:
2 x φ6mm Radsok terminal, sliver plating
Wire size 16/25 mm²,shielding
HVIL contact system, 0.5mm²
Termination technology:
Crimping for female power terminal
Crimping for female signal terminal
General:
IP67, IP6K9K (mated)
IPXXB (unmated)
HVIL
360° shielding
![]() | Performance characteristic |
Pull out force: ≤ 10N
Temperature Range: -40℃ to + 140℃
Voltage Rnge: 800VDC
Mating Cycles: 50 min
Rated Current:
16mm² = 100A @85℃
25mm² = 125A @85℃
Construction:
Housing material: PA66-GF V0
Terminal material: Copper alloy
![]() | Dimensions |


Get In Touch